资源概况
购买将获得:参考设计报告论文+博图仿真HMI源文件+PLC程序+电气接线图+IO表等
其他注意:一经购买,概不退款,不提供指导,每年数量有限,售完为止。
资源介绍(截取部分,完整请购买)

摘 要
自动门在人们的日常生活中已经得到了广泛的应用,同时人们对其性能和安全等方面的要求也越来越高。由于 PLC 的高稳定性和对环境较强的适应能力,使得 PLC 在自动门控制装置中的应用也日益广泛。
本文围绕自动门控制系统展开研究。首先分析了国内外自动门发展的趋势和所采用的技术,然后对 PLC 系统作了简要说明。并按照自动门控制装置的要求,设计了相应的梯形图文件,实现了自动门由检测到开启、计时等待、关闭的全过程。
本设计主要的工作原理是通过信号采集装置判定有无人经过并将信号转换成开关量信号传到 PLC,PLC 根据开关信号来控制变频器的开停和速度的变换,在由传动装置带动门运动
随着 PLC 不断的更新,PLC 控制已成为自动控制中最常见的方式之一,由于可编程控制器可以很简单的改变控制方式。并且,PLC 具有较高的稳定性、可靠性、维修方便等优点。还具有良好的处理自动门开关控制及良好的稳定性,因此,此设计以 PLC 为基础,以传感器为感应装置,电动机为动力单元,从而达到设计的要求。


前 言
在经济与科技飞速发展的中国,自动门在人们的生活中的运用越来越广泛,在一些正式的公共场合自动门已经随处可见。自动门的工作方式是通过自动门内外两侧的感应开关来感应人的出入,当内外有人走近自动门时感应开关感应到有人的存在,给控制器一个开门信号,控制器通过驱动装置将门打开,计时,在人通过之后,再将门关上。由于自动门在通电后可以实现无人管理,给我们的日常生活带来很多的好处,比如进出方便、节约空调能源、还有利于人力资源的节省,更令我们的大门增添了不少高贵典雅的气息,也显示了一个国家的发展。
自动门最早应用在国外,目前在我国也以优异的性能逐步得到大家的认同,自动门在中国正走向发展的黄金时期。
控制装置性能决定自动门性能的优劣,早期的自动门控制系统采用继电器逻辑控制,造成安装繁琐,不稳定,不易维修,体积大等缺点已经逐渐被淘汰。目前自动门及其数字化行业最稳定的行业是 PLC, 它是一种专门为在工业环境下应用而设计的自动运算操作的电子装置。它采用可以编制程序的存储器,用来在其内部存储执行逻辑运算、顺序运算、计时、计数和算术运算等操作的指令,并能通过数字式或模拟式和开关量的逻辑控制的输入和输出,控制各种类型的机械或生产过程。目前它在机械制造、自动化、石油化工、冶金钢铁、汽车、轻化工等领域的应用都得到了长足的发展。运用 PLC 控制自动门具有较高的可靠性、稳定性,维修方便等优点。由此看来,进行自动门的 PLC 控制系统设计,可以推动自动门行业的发展,扩大 PLC 在自动门行业乃至整个自动化行业的应用,具有很好的发展前景。
自动门根据使用的场合及功能的不同可分为自动平移门、自动平开门、自动旋转门、自动圆弧门、自动折叠门等,其中平开门用的场合较少,旋转门由于昂贵而且非常庞大,一般只使用于高档酒店宾馆,自动平移门使用的最广泛,大家一般所说的自动门、感应门就是指自动平移门,目前市场上流行的平移型自动门一般是两开,这种门的特点是简单易控,维护方便。本文所研究的对象就是自动平移门。
本课题主要介绍运用 PLC 为控制器的自动门控制系统的设计,本课题开发的产品对许多场合都能适用,并满足了自动门的基本要求,还可以保证自动门的稳定性。研究本课题意味着产品成本的下降,效益提高,因此是一个比较实用且经济的产品。
第一章 绪论
第二章 PLC的选型
第三章 自动门控制系统的整体方案
3.1 设计流程
深入了解和分析自动门的控制要求和控制部件。
确定 I/O 设备。根据自动门控制系统的功能要求,确定系统所需的用户输入、输出设备。常用的输入设备有按钮、选择开关、行程开关、传感器等,常用的输出设备有继电器、接触器、指示灯等。
根据 I/O 点数选择合适的 PLC 类型。
分配 I/O 点,分配 PLC 的输入输出点,编制出输入输出分配表或者输入输出端子的接线图。
设计自动门系统的梯形图程序,根据工作要求设计出周密完整的梯形图程序,这是整个自动门系统设计的核心工作。
将程序输入 PLC 进行软件测试,查找错误,使系统程序更加完善。
自动门系统的整体调试,在 PLC 软硬件设计和现场施工完成后,就可以进行整个系统的联机调试,调试中发现的问题要逐一排除,直至调试成功。
3.2 自动门的功能需求分析
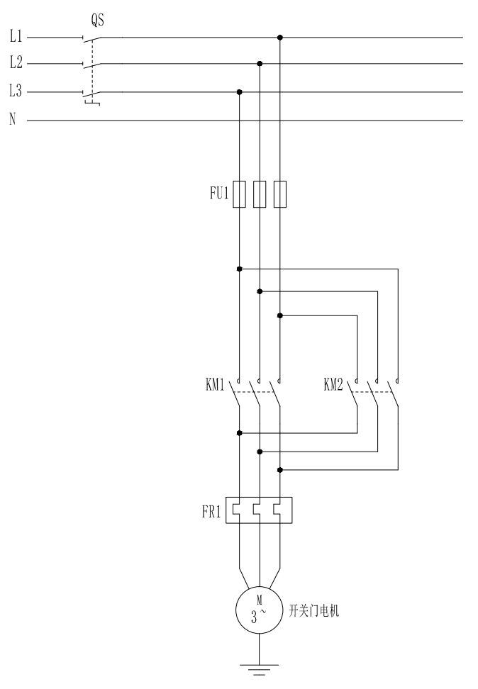
本设计面向商场入口的应用,需要有安全性和可靠性。根据商场中对自动门的具体要求,本课题所设计的自动门应由以下功能:(1)开门和关门控制应有手动和自动方式为了便于维护,自动门应具有手动和自动方式。手动和自动开门方式由手动自动转换开关来控制。当转换开关拨向手动位置时,门可以手动调节开或者关。当转换开关拨向自动位置时,手动开门失效,由感应器检测到有人接近门口且门未打开或者检测到已无人接近门口且门未关闭,PLC 动作输出信号给变频器来控制电机的正转或者反转来实现开门或者关门。(2)紧急停止当自动门出现夹人现象时,可闭合紧急停止开关,自动门自动进入开门过程。PLC 控制和执行元件构成是自动门控制系统的两个重要组成。采用自动和手动控制方式,此种控制模式为自动门的主要控制方式。本课题所设计的自动门控制系统采用 PLC 为控制中心来控制传动机构从而控制门的开和关实现门的自动化控制。
3.3 自动门的控制要求
经分析设计任务,可知完成任务的实质就是控制电机的正反转。要实现自动控制首先要具备一下功能部件:微波检测开关,限位开关,超载要实现电机正保护关。先确定电机与门扇轨道组成的系统,要实现电机正转 — 开门,电机反转 — 关门。
首先按下启动按钮,当传感器检测到能有人体通过信号时,开关上有电流通过,(光电检测开关是脉冲触发器对其自锁)所以线圈上有电流通过,电动机正传,带动自动门执行开门过程。
当门完全打开之后,使开门限位开关由闭合到断开,此时自动门停止,延时 8 秒。若此时感应器重新检测到有人体信号时,则在重新进行 8 秒延时。
当 8 秒的延时完毕后,电动机反转执行关门过程。在关门过程中,传感器重新检测到人体信号时,此时中断关门转向开门过程。
考虑到自动门若出现故障或维修的时候,使用自动控制系统有所不适,于是设置手动开门和手动关门。
3.4 自动门技术参数

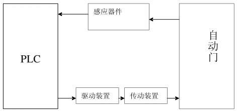
3.5 自动门具体构成
自动门系统的具体组成如下图:

由上图可知,当感应器检测到人体或物体信号时将信号传给 PLC,PLC 根据已经采集的信号发出控制信号,驱动装置运行,通过传动装置带动自动门的运行。
第四章 硬件设计
4.1 可编程控制器的选型
在 PLC 系统设计时,首先应确定控制方案,下一步工作就是 PLC 工程设计选型。工艺流程的特点和应用要求是设计选型的主要依据。因此工程设计选型和估算时,应详细分析工艺过程的特点、控制要求,明确控制任务和范围确定所需要的操作和动作,然后根据控制要求,估计输入输出点数、所需存储器的容量、确定 PLC 的功能、外部设备特性等,最后选择有较高性能价格比的 PLC 和设计相应的控制系统。
综合 PLC 的选型标准,本课题的设计采用智能控制器为稳定性良好的德国西门子公司生产的 CPU224 小型 PLC 来实现整个自动系统的控制
其余完整内容详见下载
第五章 自动门控制系统软件的设计
5.1 PLC 梯形图概述
梯形图程序设计语言是最常用的一种程序设计语言,它来源于继电器逻辑控制系统的描述。在工业过程控制领域,电气技术人员对继电器逻辑控制技术较为熟悉。因此,由这种逻辑控制技术发展而来的梯形图受到欢迎,并得到广泛的应用。
梯形图程序设计语言的特点是:
与电气操作原理图相对应,具有直观性和对应性;
与原有继电器逻辑控制技术相一致,易于掌握和学习;
与原有的继电器逻辑控制技术的不同点是:梯形图中的能流(Power Flow)不是实际意义的电流,内部的继电器也不是实际存在的继电器,因此应用时需与原有继电器逻辑控制技术的有关概念区别对待;
梯形图是使用得最多的图形编程语言,被称为 PLC 的第一编程语言。梯形图与电器控制系统的电路图很相似,具有直观易懂的优点,很容易被工厂电气人员掌握,特别适用于开关量逻辑控制。梯形图常被称为电路或程序,梯形图的设计称为编程。
5.2 自动门工作流程
(1)按下启动按钮,当有人由内到外或由外到内通过光电检测开关 K1 或 K2 时,开门执行机构 KM1 动作,电动机正转,到达开门限位开关 K3 位置时,电机停止运行。(2)自动门在开门位置停留 8 秒后,自动进入关门过程,关门执行机构 KM2 被起动,电动机反转,当门移动到关门限位开关 K4 位置时,电机停止运行。(3)在关门过程中,当有人员由外到内或由内到外通过光电检测开关 K2 或 K1 时,应立即停止关门,并自动进入开门程序。(4)在门打开后的 8 秒等待时间内,若有人员由外至内或由内至外通过光电检测开关 K2 或 K1 时,必须重新开始等待 8 秒后,再自动进入关门过程,以保证人员安全通过。(5)考虑到自动门若出现故障时,使用自动控制系统有所不适,于是设置手动开门和手动关门。以上工作过程可用流程图表达如下图所示。
其余完整内容详见下载


程序流程图详见下载






















暂无评论内容