资源概况
购买将获得:参考设计报告论文+讲解视频+电气接线图IO表+博图仿真HMI源文件
其他注意:一经购买,概不退款,不提供指导,每年数量有限,售完为止。
资源介绍(截取部分,完整请购买)

任务要求:
【1】如图(a)所示,1号、2号、3号、4号依次为外环喷头、一次外环喷头、内环喷头和中间喷头。
【2】如图(b)所示,当按下总电源开关后可以启动设备。①按下启动按钮,花式喷泉控制装置开始工作,按下停止按钮,喷泉控制装置停止运行。②喷泉的工作方式由选择开关和单步/连续开关决定。③选择开关用于选择喷泉的喷水花样。
【3】花式喷泉各种模式的动作状态方式选择开关用来选择喷水池的喷水花样,1~4号喷水管的工作方式选择如下:
①选择开关在位置“1”时。按下启动按钮后,4号喷水,延时2s后,3号也喷水,延时2s后,2号接着喷水,再延时2s,1号喷水,这样,一起喷水15s后停下。若在连续状态时,将继续循环下去。
②选择开关在位置“2”时。按下启动按钮后,1号喷水,延时2s后,2号也喷水,延时2s后,3号接着喷水,再延时2s,4号喷水,这样,一起喷水30s后再停下。若在连续状态时,将继续循环下去。
③选择开关在位置“3”时。按下启动按钮后,1、3号同时喷水,延时3s后,2、4号喷水,1、3号停止喷水;交替运行5次后,1~4号全喷水,30s后停止。若在连续状态时,将继续循环下去。
④选择开关在位置“4”时。按下启动按钮后,喷水池1~4号喷水管的工作顺序为:1→2→3→4号按顺序延时2s喷水,然后一起喷水30s,1、2、3和4号分别延时2s停水,再延时1s,由4→3→2→1号反向顺序按2s顺序喷水,一起喷水30s后停止。若在连续状态时,将继续循环下去。

程序运行框图

博图HMI仿真

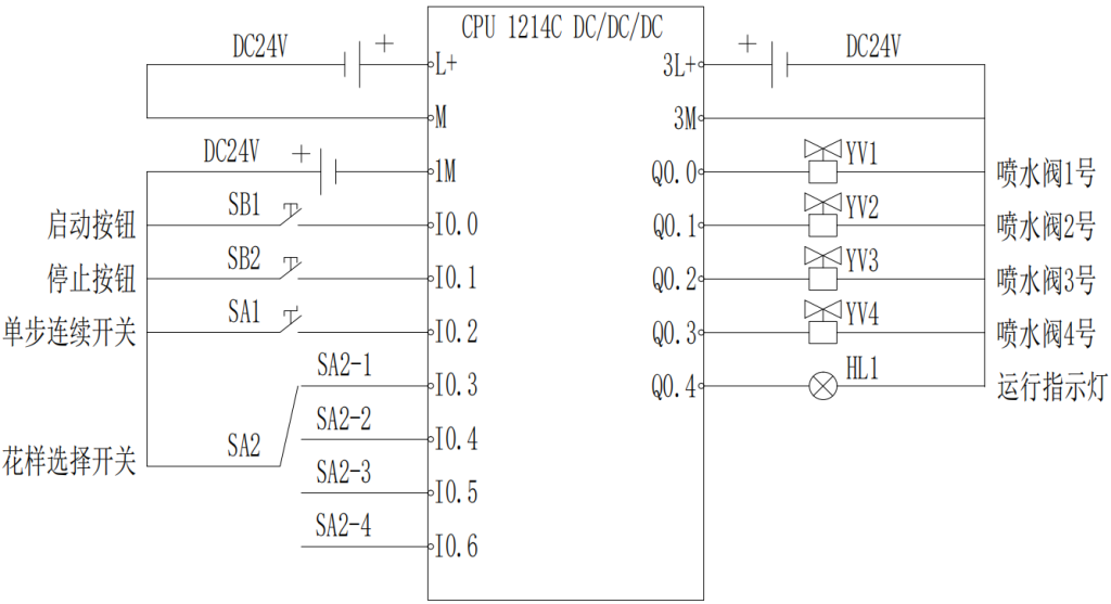
电气接线图

花式喷水池是近年来出现的一种园林建筑与花式观赏相结合的一种产物。在游人和居民光顾的场所,如公园、广场、旅游景点及一些知名建筑前,经常会修建一些喷水池供人们休闲、观赏,这些喷水池按一定的规律改变喷水式样。而且随着可编程控制器在我国的迅速发展,对花式喷泉的控制要求也越来越高,使得 越来越多的控制部分需要可编程控制器来实现。本设计书以 4 环花式喷水池为研究对象,采用了西门子 s7-200 系列可编程序控制器作为喷水池的控制器。对花式喷水池的控制系统总体功能进行了分析,详细介绍了系统的硬件配置、设计方案及软件设计顺序功能图。本设计改善了喷泉系统的控制品质,并真正地达到了实时控制的要求。当控制要求发生改变时,只需要改变程序,硬件接线不变或作较小变动即可,方便简单。而且采用 PLC 控制时,利用其体积小、功能强、可靠性高,并具有较大的灵活性和可扩展性的特点,改变控制方式或改变选择开关,即可改变喷水规律,变换出不同的花样。所以 PLC 在当前工业控制中得到广泛应用。






















暂无评论内容