资源概况
购买将获得:设计报告+电气IO接线图+博图仿真源文件等
其他注意:一经购买,概不退款,不提供指导,每年数量有限,售完为止。
资源介绍(截取部分,完整请购买)

任务要求:
①按下启动开关之后,洗车机开始往右移,喷水设备开始喷水,刷子开始刷洗。
②洗车机右移到达右极限开关后,开始往左移,喷水机及刷子继续动作。
③洗车机左移到达左极限开关后,开始往右移,喷水机及刷子停止动作,清洁剂设备开始动作—喷洒清洁剂。
④洗车机右移到达右极限开关后,开始往左移,继续喷洒清洁剂。
⑤洗车机左移到达左极限开关后,开始往右移,清洁机停止喷洒,当洗车机往右移3s后停止,刷子开始刷洗。
⑥刷子刷洗5s后停止,洗车机继续往右移,右移3s后,洗车机停止,刷子又开始刷洗5s后停止,洗车机继续往右移,到达右极限开关停止,然后往左移。
⑦洗车机往左移3s后停止,刷子开始刷洗5s后停止,洗车机继续往左移3s后停止,刷子开始刷洗5s后停止,洗车机继续往左移,直到碰到左极限开关后停止,然后往右移。
⑧洗车机开始往右移,并喷洒清水与洗刷动作,将车洗干净,当碰到右极限开关时,洗车机停止前进并往左移,喷洒清水及刷子洗刷继续动作,直到喷到左极限开关后停止,然后往右移。
⑨洗车机往右移,风扇设备动作将车吹干,喷到右极限开关时,洗车机停止并往左移,风扇继续吹干动作,直到碰到左极限开关,则洗车整个流程完成,启动灯熄灭。
⑩如果洗车机正在动作时发生停电或故障、则故障排除后必须使用原点复位,将洗车机复位到原点,才能做洗车全流程的动作,其动作就是按下复位按钮,则洗车机的右移、喷水、洗刷、风扇及清洁剂喷洒均需停止,洗车机往左移,当洗车机到达左极限开关时,原点复位灯亮起,表示洗车机完成复位动作。
本文主要介绍自动洗车控制系统的设计思想、设计步骤以及洗车机可以实现的响应功能。采用S7-200系列PLC实现自动洗车控制,并利用STEP7-Micro/MIN32软件完成梯形图、指令表的程序设计。
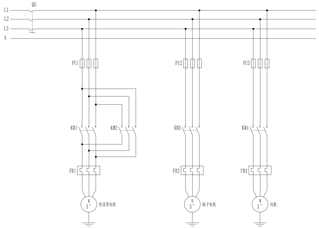
本文自动洗车控制系统采用了四个输入信号:启动开关I0.0、右极限开关I0.1、左极限开关I0.2、原点复位按钮10.3;九个输出信号:洗车机右移Q0.0、、风扇动作Q0.1、刷子动作Q0.2、洗车机左移Q0.3、喷洒清洁剂Q0.4、喷水Q0.5、洗车机Q0.6、启动灯Q0.7、复位灯Q1.0.其中洗车机右移和洗车机左移由电动机1的正反转控制,刷子动作由电动机2控制,喷水及喷洒清洁剂电磁阀控制。洗车机启动后可自动完成清洗并自动停止,也可手动停止,但每次启动前必需复位。根据输入输出点数的数量判断,采用CPU224即可满足需求。自动洗车机经启动后能自动顺序完成洗车规定动作,结束后自动停止,若因断电或故障停止,而在得电或排除故障后洗车机不会自动启动,这实现了理论上的自动化控制。
关键词:自动洗车;PLC控制;顺序洗车动作;梯形图;语句表

洗车机的主运动是左右循环运动,由左右行程开关控制,同时不同循环次序伴随不同的其它动作,如喷水、刷子刷洗、喷洒清洁剂和风扇吹干等动作。因每次都是碰到左行程开关后动作转换才实现,所以运用计数器记录左极限信号脉冲的次数从而控制上述辅助运动按要求依次动作。系统还采用了复位设计,如在洗车过程中由其它原因使洗车机停止在非原点的其它位置,则需要手动对其进行复位,直到复位灯亮,此时才可以启动程序,否则启动无效,洗车机经启动后可自动完成洗车动作并自行停止,需要时也可手动停止。
洗车机第一次右移时有喷水及刷洗动作,到达右极限使右极限开关动作从而控制洗车机左移,而喷水及刷洗动作继续,直到碰到左极限开关才停止。洗车机第二次右移时,喷水刷子动作停止、清洁剂开始喷洒,直到右极限行程开关动作,洗车机左移清洁剂继续喷酒,直到使左极限开关动作。洗车机第三次右移时,洗车机右移3s停止,刷子刷洗5s,连续两次该动作后洗车机继续单独右移,直到碰到右极限开关;其中,洗车机右移及刷子刷洗由接通延时计时器T37和T38形成的震荡电路控制,直到碰到右极限开关后通过互锁使刷子动作电路断开,刷子停止工作。此时洗车机左移,进行和上次右移时同样的动作,直到碰到左极限行程开关。洗车机第四次右移,喷洒清水及刷子动作直到碰到右极限开关。洗车左移同时喷水刷洗继续直到喷到左极限开关喷水刷洗停止洗车机第五次右移,风扇开始动作,直到碰到右极限开关,洗车机左移风扇继续动作洗车机左移直到碰到左极限开关,整个设备停止动作,洗车机完成洗车任务。



























暂无评论内容