资源概况
购买将获得:完整无水印Word报告
其他注意:一经购买,概不退款,不提供指导,每年数量有限,售完为止。
资源介绍(截取部分,完整请购买)
摘 要
随着计算机技术、通信技术、自动控制技术以及各种智能技术的迅速发展,高可靠性可编程控制器(PLC)出现,使得现代工业控制系统的设计开发周期短,可靠性高,成本低。
本文结合恒温控制系统的特点,提出控制系统的总体设计方案,采用PLC和检测仪表完成系统硬件设计;编写PLC控制程序和监控组态界面,实现温度采集与显示,实现了温度在线监测和控制。并采用工业以太网,实现现场控制单元与上位机进行信息交换,并能与企业内部联网。
关键词:自动检测;PLC;温度;监控组态

第一章 绪 论
第二章 恒温控制系统的硬件设计
2.1恒温控制系统的组成
恒温控制装置结构如图2-1所示,它包括控制恒温水箱、冷却风扇电动机、搅拌电动机、储水箱、电加热装置(功率为1.5W,温度范围为40~60.C)、测温装置、液位检测、流量检测以及电磁阀门等。电加热器加热恒温水箱水温,搅拌器使恒温水箱中的水上下水温均匀,两个液位检测传感器用于测量缺水和溢出状态,三个温度传感器分别测量恒温水箱中水的温度、入口温度及储水箱中水的温度,水泵用来使系统内的水循环流动,三个电磁阀门用来使水进入储水箱或冷却器中,水的流量采用流量计检测,水的冷却采用风扇进行冷却。恒温水箱中水温、入水口水温、储水箱中水温、水的流速和加热器功率分别用数显仪表显示。阀门、搅拌器及冷却器工作状态用指示灯指示。

控制系统设计要求:①要求系统有手动和自动两种方式;②温度范围:20℃~60℃温度超限进行报警;③水温与设定值之差小于5℃,采用PID调节;水温高于设定值5℃~10℃进冷水;水温高于设定值10℃以上时,采用进冷水与风冷同时进行的方法实现降温控制;④对温度,流量进行检测并显示;⑤进水时无流量,加热时水温无变化能进行报警。
2.2恒温控制系统总体设计方案
根据恒温控制系统的要求,本设计由S7-200PLC作为中央处理单元,Fameview作为监控组态软件,实现恒温控制系统实时监控。系统由硬件和软件两部分软件构成。要完成整个系统的要求就应该由软件与硬件共同来发挥作用和相互组合协调工作;本设计由工控机作为上位机对整个系统进行监控,PLC等其他元件作为下位机完成具体控制要求,上位机与下位机之间的通信通过以太网的联接来达到通信的状态要求,以便更好的完成对系统的监控。

上位机由工控机构成,工控机上采用Fameview组态软件,控制对现场设备的启/停、运行状况的实时监控,设备相关数据的记录,设备故障和异常情况的处理。PLC组成下位机现场控制单元,采集现场设备的数据。检测元件有温度检测元件和液位检测元件,对现场设备进行实时检测,并将检测数据传送至PLC与数显表。显示电路实现现场温度的实时监控。PLC根据输入与反馈信号的偏差进行PID计算,输出控制信号给加温控制电路,对温度进行PID控制。
2.3 PID控制原理
在工程实际中,应用最为广泛的调节器控制规律为比例、积分、微分控制,简称PID控制,又称PID调节。PID控制器问世至今已有近70年历史,它以其结构简单、稳定性好、工作可靠、调整方便而成为工业控制的主要技术之一。当被控对象的结构和参数不能完全掌握,或得不到精确的数学模型时,控制理论的其它技术难以采用时,系统控制器的结构和参数必须依靠经验和现场调试来确定,这时应用PID控制技术最为方便。即当我们不完全了解一个系统和被控对象,或不能通过有效的测量手段来获得系统参数时,最适合用PID控制技术。PID控制,实际中也有PI和PD控制。PID控制器就是根据系统的误差,利用比例、积分、微分计算出控制量进行控制的。
比例(P)控制,比例控制是一种最简单的控制方式。其控制器的输出与输入误差信号成比例关系。当仅有比例控制时系统输出存在稳态误差(Steady-state error)。
积分(I)控制,在积分控制中,控制器的输出与输入误差信号的积分成正比关系。对一个自动控制系统,如果在进入稳态后存在稳态误差,则称这个控制系统是有稳态误差的或简称有差系统(System with Steady-state Error)。为了消除稳态误差,在控制器中必须引入“积分项”。积分项对误差取决于时间的积分,随着时间的增加,积分项会增大。这样,即便误差很小,积分项也会随着时间的增加而加大,它推动控制器的输出增大使稳态误差进一步减小,直到等于零。因此,比例+积分(PI)控制器,可以使系统在进入稳态后无稳态误差。
微分(D)控制,在微分控制中,控制器的输出与输入误差信号的微分(即误差的变化率)成正比关系。 自动控制系统在克服误差的调节过程中可能会出现振荡甚至失稳。其原因是由于存在有较大惯性组件(环节)或有滞后(delay)组件,具有抑制误差的作用,其变化总是落后于误差的变化。解决的办法是使抑制误差的作用的变化“超前”,即在误差接近零时,抑制误差的作用就应该是零。这就是说,在控制器中仅引入“比例”项往往是不够的,比例项的作用仅是放大误差的幅值,而目前需要增加的是“微分项”,它能预测误差变化的趋势,这样,具有比例+微分的控制器,就能够提前使抑制误差的控制作用等于零,甚至为负值,从而避免了被控量的严重超调。所以对有较大惯性或滞后的被控对象,比例+微分(PD)控制器能改善系统在调节过程中的动态特性。
按照实际温度和设定温度偏差的比例、积分和微分产生控制作用(简称PID控制),是温度控制中应用最广泛的一种控制形式,实际运行效果和理论分析表明,这种控制规律在相当多的工业生产过程中能得到比较满意的结果。每个温度由一个热敏电阻检测,用PID的输出值来控制电阻炉通断,从而控制的温度。温度控制原理如图2-3所示。

其余完整内容详见下载
2.5PLC的选型
合理选择PLC对于提高PLC控制系统的性价比起着重要作用,PLC的选择应包括机型的选择、容量的选择、I/O模块的选择、电源模块的选择等几个方面。
在恒温控制系统中,经过调研、分析,选择了西门子公司生产的S7-200系列PLC作为系统的控制器。S7-200系列PLC是SIEMENS公司推出的一种整体式小型可编程控制器。S7-200系列PLC包含了一个单独的S7-200CPU和各种可选则的扩展模块,可以十分方便的组成不同规模的控制器。其控制规模可以从几点到几百点。S7-200PLC可以方便地组成PLC-PLC网络和微机-PLC网络,从而完成规模更大的工程。因此本人选用的是德国SIEMENS公司的S7-200型号的可编程序控制器产品。
S7-200的STEP7-Micro/WIN32编程软件可以方便地在Windows环境下对PLC编程、调试、监控、使得PLC的编程更加方便、快捷。即S7-200可以完美地满足各种小规模控制系统的要求。
目前S7-200系列PLC主要有CPU221、CPU222、CPU224和CPU226四种,四种CPU的外部结构大体相同。
CPU221集成6输入/4输出共10个数字量I/O点。无I/O扩展能力。6K字节程序和数据存储空间。4个独立的30kHz高速计数器,2路独立的20kHz高速脉冲输出。1个RS485通讯/编程口,具有PPI通讯协议、MPI通讯协议和自由方式通讯能力。非常适合于小点数控制的微型控制器。
CPU222集成8输入/6输出共14个数字量I/O点。可连接2个扩展模块。6K字节程序和数据存储空间。4个独立的30kHz高速计数器,2路独立的20kHz高速脉冲输出。1个RS485通讯/编程口,具有PPI通讯协议、MPI通讯协议和自由方式通讯能力。非常适合于小点数控制的微型控制器。
CPU224集成14输入/10输出共24个数字量I/O点。可连接7个扩展模块,最大扩展至168路数字量I/O点或35路模拟量I/O 点。13K字节程序和数据存储空间。6个独立的30kHz高速计数器,2路独立的20kHz高速脉冲输出,具有PID控制器。1个RS485通讯/编程口,具有PPI通讯协议、MPI通讯协议和自由方式通讯能力。I/O端子排可很容易地整体拆卸。是具有较强控制能力的控制器。
CPU226集成24输入/16输出共40个数字量I/O 点。可连接7个扩展模块,最大扩展至248路数字量I/O 点或35路模拟量I/O 点。13K字节程序和数据存储空间。6个独立的30kHz高速计数器,2路独立的20kHz高速脉冲输出,具有PID控制器。2个RS485通讯/编程口,具有PPI通讯协议、MPI通讯协议和自由方式通讯能力。I/O端子排可很容易地整体拆卸。用于较高要求的控制系统,具有更多的输入/输出点,更强的模块扩展能力,更快的运行速度和功能更强的内部集成特殊功能。可完全适应于一些复杂的中小型控制系统。
根据控制要求本设计有系统开关、上下液位开关搅拌电机开关等开关量要转变为数字量作为CPU226的输入量,其中流量检测量与温度检测量作为模拟量输入输入到CPU226;同时系统中的电机及指示灯、温度显示等作为数字量输出量,电机热控制信号作为模拟量输出。
而在已有的S7200的CPU中没有可以单独满足系统要求的型号,不管选用哪种型号都需要对其输入\输出端口进行扩展。为了使系统设计的尽量简单、方便、实用,本设计选用CPU226。CPU226拥有24个数字输入端口和16个数字输出端口,因此只需要对其扩展4个模拟输入端和一个模拟输出端口。PLC的系统组成如图2-4所示。

其余完整内容详见下载
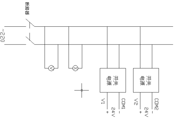
2.8系统供电接线图
系统的总的供电电源是220V市电,由断路器保护后接PS307/5A给PLC供电,此外还接了一个24V电源给隔离处理器、传感器和数字显示表供电,具体电气图如2-6图所示。

系统的电机以及加热装置供电电源是3N50HZ,380V交流电源,由断路器保护、熔断器,接触器后接用电设备,其中有风扇电机、搅拌电机和泵电机等三个不同功率的电机;供电线路中还接有一个加热电阻,具体如图2-7所示。

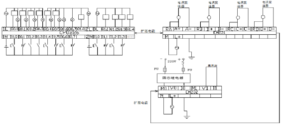
2.9PLC硬件接线图
图2-8为恒温控制系统硬件接线图,其中可以看到CPU226有两个扩展模块,并且与监控室连接,便于值班人员操作控制。

本设计采用CPU226作为主处理器,分别扩展了模拟量输入模块EM231以及模拟量输出模块EM232。系统中由流量检测计与温度传感器采集流量与温度信号,通过信号隔离处理器RZG21OO将直流输入信号转换成隔离的标准过程信号,并送入EM231。EM231再将信号传给CPU226,由处理器对信号进行分析处理;然后将分析的结果通过数显仪表把系统状况反应出来,监测控制室的工作人员根据仪表显示结果,对系统进行相应操作,以确保系统稳定运行。该系统同时通过数据线与工业以太网相连,可以通过上位机对给系统进行全面整体的远程控制好监测。将被控系统的温度控制在某一范围之间,当温度低于下限或高于上限时,应能自动进行调整,如果调整一定时间后仍不能脱离不正常状态,则采用声光报警,来提醒操作人员注意,排除故障。
系统设置一个启动按钮来启动控制程序,设置三台数字显示表来指示温度状态。当被控系统的温度在要求范围内,系统运行正常;当被控系统的温度超过上限或低于下限时,经调整且在设定时间内仍不能回到正常范围,报警装置运行,表示温度超过上限或低于下限。根据I/O端口分配以及硬件选择情况,设计硬件接线。
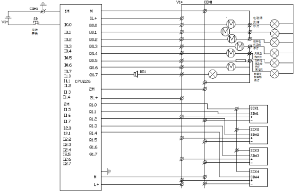
本文中CPU226的13个输出接口分别接电动机及指示灯、搅拌电机及其指示灯\风扇电机及其指示灯、电加热及其指示灯、泵电机及其指示灯、报警装置以及数显仪表。具体如图2-9所示。

其余完整内容详见下载
第三章 恒温控制系统软件设计

3.3系统主程序
本设计温度采用PID过程控制,以子程序的形式在程序在主程序中。主程序是根据要求设定水箱的恒温控制,然后启动水泵向水箱进水,当水位升到预定液位后,启动搅拌机,测量水箱水温并与设定值比较,若温差小于5℃,要采用PID调节加热器。当水温高于设定值5-10℃时,采用进水与风扇冷却同时进行的方法实现降温控制。此外对温度、流量、加热的电功率要进行实测并显示。若进水时无流量或加热、冷却时水温无变化时应报警。系统开关打开后,系统启动液位检测、温度检测、数显表和报警装置。根据以上要求设计恒温控制系统主程序流程图如图3-1所示。

3.4PID控制算法程序
CPU226提供PID回路指令,包括比例、积分、微分循环,进行PID计算。PID回路的操作取决于存储在36字节回路表内的九个参数。PID控制回路具有两个输入变量。本系统的两个输入变量即为恒温水箱的当前值PV和设定值SP,这两个多成变量在应用于PID指令之前,必须转换为标准化的浮点数表示形式。转换的第一步是实际值从16位整数数值转换为浮点数数值,第二步是将此转换后的浮点数转换成位于0.0~1.0之间的标准化数值。回路的输出是标准化的、位于0.0~1.0之间的实数数值。在回路输出可用于驱动模拟量输出之前,回路输出必须被转换为16位的、成比例的整数数值。这一过程是将PV以及SP转换成标准化数值的反过程。在PID指令中,必须指定内存区内的36个字节参数表的首地址。要选定的过程变量、设定值、回路增益、采样时间、积分时间、微分时间等参数全部都转换成标准值存放在回路表中。
在本控制系统中,恒温水箱由一个热敏电阻来检测温度,由一个加热电阻通过控制加热时间,以便达到调节水箱内温度的目的。控制程序采用主程序和子程序以及中断程序来编写。采用PID控制算法来控制加热电阻通电时间,达到控制加热时间的目的。总体程序的控制流程设计思路为:执行总体启动/停止实现对恒温水箱的宏观控制;子程序SBR0为水箱温控制参数,在主程序中调用SBR0传递PID控制参数。定时中断0设计为每十毫秒中断一次,进入中断服务程序INT0,INT0对加热电阻进行控制。子程序、中断服务程序的流程图如下图3-2,图3-3所示。
其余完整内容详见下载
3.7人机界面
根据本系统的要求,采用PLC设备完成系统的硬件功能,因此根据连接设备要安装西门子S7200的驱动程序,而根据通讯连接则选择安装S7PPI/TCP。S7PPI/TCP的用途:真正的PPI 协议与S7-200 的编程口通讯使用,以太网转串口设备访问S7-200的编程口。
本章主要介绍了上位机监控系统人机交互界面的设计,系统动态对象数据的设计,远程浏览报警模式的设计以及系统安全的设计。Fameview强大的图形界面绘制功能,易于使用的动态画面设计和功能强大的脚本语言,以及在各行业成熟的应用基础,使得本系统具有稳定性、安全性、易于操作的特点。用组态软件Fameview设计的监控系统基本达到了恒温控制监控系统的设计要求。
(1)力求做到界面简洁、清晰、美观、大方。
(2)尽量做到按键动画提示效果。例如:用鼠标左键单击或按下快
捷键“F1”时,按钮图标变成绿色,驱动加工台左移,直到碰到左原点才停止,按钮图标又变回灰色。
(3)动画显示仿真实际动作。例如:仿真动画将显示。
(4)在关键的可能出错的地方,启用动作互锁控制设计,减少因用户使用不当引起的问题。
本系统不仅可以通过硬件操作来了解系统的工作原理,同时也可以通过仿真软件的监控画面来生动、直观的了解系统的工作过程。在监控画面上还以看到现场的设备运行状态是否开启。
根据系统基本操作功能和自动控制指标要求,设计7常用按钮,分别可以进入系统用户管理的登入与退出画面、恒温控制监控组态画面、温度流量实时数据曲线变化画面、变量报警画面、实时报表画面。在左上角的时间显示可以显示当前的时间及日期年月。只要双击对应的按钮就会进入相应的画面。























暂无评论内容