资源概况
购买将获得:完整无水印Word报告
其他注意:一经购买,概不退款,不提供指导,每年数量有限,售完为止。
资源介绍(截取部分,完整请购买)
摘 要
传统的加热炉电气控制系统普遍采用继电器控制技术,由于采用固定接线的硬件实现逻辑控制,使控制系统的体积增大,耗电多,效率不高且易出故障,不能保证正常的工业生产。 随着计算机控制技术的发展,传统继电器控制技术必然被基于计算机技术而产生的PLC控制技术所取代。 而PLC本身优异的性能使基于PLC控制的温度控制系统变的经济高效稳定且维护方便。这种温度控制系统对改造传统的继电器控制系统有相当的意义。
在以PLC控制为核心,加热炉为基础的温度自动控制系统中,PLC将加热炉温度设定值与温度传感器的测量值之间的偏差经PID运算后得到的信号控制输出电压的大小,从而调节加热器加热,实现温度自动控制的目的。文章介绍了基于S7-200温度控制系统的PID调节器的实现。
关键词:PLC 温度控制 PID 调节器 S7-200 温度传感器

1 温度控制对象
温度控制对象,在工业控制过程中,是相当重要的控制对象,因为温度直接的影响到了燃烧、化学反应、发酵、烘烤、蒸馏、浓度,结晶以及空气流动等物理的和化学的变化过程。温度控制的不好很有可能引起严重的安全事故,产品质量和产量等一系列的问题。温度控制是许多设备的重要的构成部分,它的功能是将温度控制在所需要的温度范围内,以利于进行工件的加工与处理。不论是在生活中还是在工业生产过程中,温度的变化对生活、生产的某些细节环节都会造成不同程度的影响,所以适时地对温度进行控制具有重要的意义。
1.1 功能特点与技术参数
实践证明温度对象的特点是:时间常数大,滞后现象严重,反应在控制系统上,就是被控温度的变化滞后于调节器的输出。我们知道热量的传递是需要一定时间的,温度上升的快慢与其热容量的大小有关,通常温度的上升与下降和时间的关系是一个指数曲线关系。而产生滞后则与热量的传递过程有关,再者测温元件也有一定的惯性,这些都会产生滞后现象。
本次设计选用的是TKPLC—2型温度控制器,该温度控制器同样的具有滞后大和惯性大的特点。该加热器用的是0V到5V的电压加热,
1.2 控制手段
通过以上的分析,系统的总的滞后时间比较大,升温的滞后时间相对降温来说是比较小的。因此,在PID调节中,要使系统的品质变好,除了加入适当的积分以消除静态误差外,还应该加强比例作用使调节更加灵敏,减小调节时间,同时还应该加入适当的微分作用,使系统的超调量减小。
2 方案设计
主要是通过实验的需要选择硬件。然后将选择的硬件组成控制系统,根据任务的要求选择西门子的S7-200的PLC,TKPLC-2型加热炉等硬件,硬件选择完成后,跟据所选择的硬件选择合适的软件进行程序设计,只有拥有完整的硬件和软件的系统才能所需要的功能。下面就仔细的介绍在设计中运用到的硬件和软件。
2.1 现场总线概述
目前世界上存在着大约四十余种现场总线,如法国的FIP,英国的ERA,德国西门子公司Siemens的ProfiBus,挪威的FINT,Echelon公司的LONWorks,PhenixContact公司的InterBus,RoberBosch公司的CAN,Rosemounr公司的HART,CarloGarazzi公司的Dupline,丹麦ProcessData公司的P-net,PeterHans公司的F-Mux,以及ASI(ActraturSensorInterface)、MODBus、SDS、Arcnet,国际标准组织-基金会现场总线FF:FieldBusFoundation、WorldFIP、BitBus,美国的DeviceNet与ControlNet等等。这些现场总线大都用于过程自动化、医药领域、加工制造、交通运输、国防、航天、农业和楼宇等领域,大概不到十种的总线占有80%左右的市场。下面仔细的介绍九种比较常用的现场总线。
其余完整内容详见下载
2.2 WinCC+S7-200温度控制系统的硬件组成
温度控制系统的主要硬件组成:带有WinCC和有STEP7Micro/WIN软件的计算机、PLC、PPI数据线、TKPLC-2型加热炉。下面是本次系统的硬件组成图,如图2.2.1所示。

TKPLC-2型加热炉,集成了加热炉驱动模块和加热炉变送器。这样使硬件系统的组成更简单、更容易。该系统是通过简单的闭环控制系统实现的。由PLC控制的加热炉温度控制系统构成如图2.2.2所示,系统工作过程:一是给定值(0~100℃)通过键盘输入PLC主机,再由PLC主机传递给数字量输出模块,控制固态继电器的开关状态,从而控制电阻炉的加热情况;二是通过温度检测装置热电偶检测到的变换为电流信号的炉温值通过模拟量输入模块读入PLC主机,由PLC主机内部PID的程序与温度给定值相比较,对数字量输出模块进行下一度的控制。其中PLC是整个系统的主控核心。

2.2.1 S7-200PLC的选型
S7-200系列PLC是SIEMENS公司新推出的一种小型PLC。它以紧凑的结构、良好的扩展性、强大的指令功能、低廉的价格,已经成为当代各种小型控制工程的理想控制器。S7-200PLC包含了一个单独的S7-200CPU和各种可选择的扩展模块,可以十分方便地组成不同规模的控制器。其控制规模可以从几点上到几百点。S7-200PLC可以方便地组成PLC-PLC网络和微机-PLC网络,从而完成规模更大的工程。S7-200的编程软件STEP7-Micro/WIN32可以方便地在Windows环境下对PLC编程、调试、监控,使得PLC的编程更加方便、快捷。可以说,S7-200可以完美地满足各种小规模控制系统的要求。S7-200有四种CPU,其性能差异很大。这些性能直接影响到PLC的控制规模和PLC系统的配置。
目前S7-200系列PLC主要有CPU221、CPU222、CPU224和CPU226四种。档次最低的是CPU221,其数字量输入点数有6点,数字量输出点数有4点,是控制规模最小的PLC。档次最高的应属CPU226,CPU226集成了24点输入/16点输出,共有40个数字量I/O。可连接七个扩展模块,最大扩展至248点数字量I/O点或35路模拟量I/O。本次设计选用的是CPU226。
开关量I/O扩展模块当CPU的I/0点数不够用或需要进行特殊功能的控制时,就要进行I/O扩展,I/O扩展包括I/O点数的扩展和功能模块的扩展。通常开关量I/O模块产品分3种类型:输入模块,输出模块以及输入/输出模块。为了保证PLC的工作可靠性,在输入模块中都采用提高可靠性的技术措施。如光电隔离,输入保护(浪涌吸收器,旁路二极管,限流电阻),高频滤波,输入数据缓冲器等。由于PLC要控制的对象有多种,因此输出模块也应根据负载进行选择,有直流输出块,交流输出模块和交直流输出模块。按照输出开关器件种类不同又分为3种:继电器输出型,晶体管输出型和双向晶闸管输出型。这三种输出方式中,从输出响应速度来看,晶体管输出型最快,继电器输出型最差,晶闸管输出型居中;若从与外部电路安全隔离角度看,继电器输出型最好。在实际使用时,亦应仔细查看开关量 I/O 模块的技术特性,按照实际情况进行选择。在S7-200中,单极性模拟量的输入/输出信号的数值范围是0-32000,双极性模拟信号的数值范围是-32000- +32000[2]。
2.2.2 加热炉的选型
本次实验选用的加热炉为TKPLC-2型。这种加热炉集成有驱动模块和温度变送器使用简单,只需将输入端和输出端分别接到PLC的输出模块和输入模块就可以了。免去了硬件设计的麻烦。
TKPLC-2型加热炉,也具有惯性大,滞后大的特点,在实际控制过程的过程中会比较麻烦,而且该加热炉是靠周边环境自然降温,所以降温过程比较长。不过通过改良PID调节的参数,能勉强控制好加热炉的温度,使得稳态误差和动态误差都能达到任务的要求。
3 WinCC+S7-200温度控制系统的软件配置
本次设计使用的软件STEP7-Micro/WIN32和WinCC以及PC access,通过STEP7-Micro/WIN32编写PLC的程序,通过Wincc的组态实现对控制过程的控制和监视。PLC与WinCC之间通过PPI总线实现通信,实时的监控加热炉的工作状态。
3.1 STEP7-Micro/WIN32的介绍
STEP7-Micro/WIN32是西门子公司专为SIMATIC S7-200系列可编程序控制器研制开发的编程软件,它是基于Windows的应用软件,功能强大,既可用于开发用户程序,又可实时监控用户程序的执行状态。
STEP7-Micro/WIN32编程软件的基本功能是协助用户完成应用软件的开发,其主要实现以下功能:
1)在脱机(离线)方式下创建用户程序,修改和编辑原有的用户程序。在脱机方式时,计算机与PLC断开连接,此时能完成大部分的基本功能,如编程、编译、调试和系统组态等,但所有的程序和参数都只能存放在计算机的磁盘上。
2)在联机(在线)方式下可以对与计算机建立通信关系的PLC直接进行各种操作,如上载、下载用户程序和组态数据等。
3)在编辑程序的过程中进行语法检查,可以避免一些语法错误和数据类型方面的错误。经语法检查后,梯形图中错误处的下方自动加红色波浪线,语句表的错误行前自动画上红色叉,且在错误处加上红色波浪线。
4)对用户程序进行文档管理,加密处理等。
5)设置PLC的工作方式、参数和运行监控等。
3.2 WinCC的介绍
西门子公司的WinCC是WlndowsControIConter(视窗控制中心)的简称。 它集成了SCADA、组态、脚本(Script)语言和OPC等先进技术,为用户提供了Windows操作系统(W1ndows2000或XP)环境下使用各种通用软件的功能。WinCC继承了西门子公司的全集成自动化(TIA)产品的技术先进和无缝集成的特点。WinCC运行于个人计算机环境,可以与多种自动化设备及控制软件集成,具有丰富的设置项目、可视窗口和菜单选项,使用方式灵活,功能齐全。用户在其友好的界面下进行组态、编程和数据管理,可形成所需的操作画面、监视画面、控制画面、报警画面、实时趋势曲线、历史趋势曲线和打印报表等。它为操作者提供了图文并茂、形象直观的操作环境,不仅缩短了软件设计周期,而且提高了工作效率。WinCC的另一个特点在于其整体开放性,它可以方便地与各种软件和用户程序组合在一起,建立友好的人机界面,满足实际需要。用户也可将WinCC作为系统扩展的基础,通过开放式接口,开发其自身需要的应用系统。
3.3 PC ACCESS的介绍
西门子最新推出的PC Access 软件是专用于S7-200 PLC的 OPC Server(服务器)软件,它向OPC客户端提供数据信息,可以与任何标准的OPC Client(客户端)通讯。PC Access软件自带OPC客户测试端,用户可以方便的检测其项目的通讯及配置的正确性。
OPC作为一种工业标准,提供了工业环境中信息交换的统一标准软件接口,数据用户不用再为不同厂家的数据源开发驱动或服务程序。OPC将数据来源提供的数据以标准方式传输至任何客户机应用程序。OPC(用于进程控制的OLE)是一种开放式系统接口标准,可允许在自动化/PLC应用、现场设备和基于PC的应用程序(例如 HMI或办公室应用程序)之间进行简单的标准化数据交换。 定义工业环境中各种不同应用程序的信息交换,它工作于应用程序的下方。您可以在PC机上监控、调用和处理可编程控制器的数据和事件。PC Access可以用于连接西门子,或者第三方的支持OPC技术的上位软件。
PC Access可以通过如下硬件连接与S7-200通讯:通过PC/PPI电缆(USB/PPI电缆)连接PC机上的USB口和S7-200、通过PC/PPI电缆(RS-232/PPI电缆)连接 PC机上的串行COM口和 S7-200、通过西门子通讯处理器(CP)卡和 MPI电缆连接 S7-200、通过PC机上安装的调制解调器(Modem)连接S7-200上的EM241模块、通过以太网连接 S7-200上的CP243-1或CP243-1 IT模块,上述S7-200的通讯口可以是CPU通讯口,也可以是EM277的通讯口。
PC Access所支持的协议:PPI(通过 RS-232PPI和 USB/PPI电缆)、MPI(通过相关的 CP卡)、Profibus-DP(通过CP卡)、S7协议(以太网)、Modems(内部的或外部的,使用TAPI 驱动器)。所有协议允许同时有8个PLC连接,一个PLC通讯口允许有4个PC机的连接,其中一个连接预留给Micro/WIN,PC Access与Micro/WIN可以同时访问CPU,支持S7-200所有内存数据类型。
3.4 WinCC+S7-200温度控制系统的网络结构
WinCC和S7-200的网络连接,只要是通过RS232或USB接口进行数据传输。数据传输速率在1.2 kbps 至 115.2 kbps 之间。WinCC和S7-200的网络连接是点对点的连接,遵循PPI的通信协议,网络结构主要有3种:单主站PPI网络、多主站PPI网络、复杂PPI网络。下面就将各种网络结构进行详细的介绍。
3.4.1 单主站PPI网络
通常,单主站PPI网络由以下组件组成:带有STEP7-Micro/WIN的编程设备/PC或作为主站设备的HMI设备(面板),作为从站设备的一个或多个S7-200。单主站PPI网络结构组成如图3.4.1所示。

其余完整内容详见下载
3.5 温度控制算法
在工程实际中,应用最为广泛的调节器控制规律为比例、积分、微分控制,简称PID控制,又称PID调节。PID控制器问世至今已有近80年历史,它以其结构简单、稳定性好、工作可靠、调整方便而成为工业控制的主要技术之一。当被控对象的结构和参数不能完全掌握,或得不到精确的数学模型时,控制理论的其它技术难以采用时,系统控制器的结构和参数必须依靠经验和现场调试来确定,这时应用PID控制技术最为方便[5]。即当我们不完全了解一个系统和被控对象,或不能通过有效的测量手段来获得系统参数时,最适合用PID控制技术。PID控制,实际中也有PI和PD控制。PID控制器就是根据系统的误差,利用比例、 积分、微分计算出控制量进行控制的。
比例(P)控制:比例控制是一种最简单,最常用的控制方式[4]。其控制器的输出与输入误差信号成比例关系。当仅有比例控制时系统输出存在稳态误差。
积分(I)控制:在积分控制中,控制器的输出与输入误差信号的积分成正比关系。对一个自动控制系统,如果在进入稳态后存在稳态误差,则称这个控制系统是有稳态误差的 或简称有差系统。为了消除稳态误差,在控制器中必须引入“积分项”。积分项对误差取决于时间的积分,随着时间的增加,积分项会增大。这样,即便误差很小,积分项也会随着时间的增加而加大,它推动控制器的输出增大使稳态误差进一步减小,直到等于零。因此,比例+积分(PI)控制器,可以使系统在进入稳态后无稳态误差。
微分(D)控制:在微分控制中,控制器的输出与输入误差信号的微分(即误差的变化率)成正比关系。 自动控制系统在克服误差的调节过程中可能会出现振荡甚至失稳。其原因是由于存在有较大惯性组件(环节)或有滞后(delay)组件,具有抑制误差的作用, 其变化总是落后于误差的变化。解决的办法是使抑制误差的作用的变化“超前”,即在误差接近零时,抑制误差的作用就应该是零。这就是说,在控制器中仅引入 “比例”项往往是不够的,比例项的作用仅是放大误差的幅值,而目前需要增加的是“微分项”,它能预测误差变化的趋势,这样,具有比例+微分的控制器,就能够提前使抑制误差的控制作用等于零,甚至为负值,从而避免了被控量的严重超调。所以对有较大惯性或滞后的被控对象,比例+微分(PD)控制器能改善系统在调节过程中的动态特性。
其余完整内容详见下载
4 S7-200 PLC控制程序的设计
硬件设计完成过后,就需要进行软件设计,通过软件设计使得系统能满足设计的要求,因此软件设计在设计的过程中也是相当的重要。有了好的合适的程序才能使系统发挥其最大的优势,来调节加热炉的温度。
4.1 控制程序的组成
控制程序主要由温度采集程序、数据滤波程序、PID控制程序组成,温度采集程序的作用是将温度值转换成PLC能够识别的数值。数据滤波程序是为了消除干扰对测量结果的影响,在PID控制前,需要对采集的数据进行处理,这样是为了避免由于外部的干扰而导致PID运算出错。因此,滤波程序是非常的重要的。
4.2 温度采集程序设计

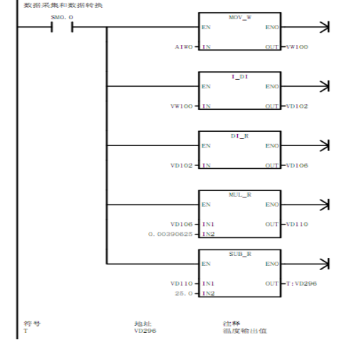
温度采集程序,由于温度变送器送出的是4-20mA的标准电流信号,信号采集模块将采集到的电流转化成数字信号过后,再通过一系列的数据类型的转换,使得采集到的数据变成标准的温度数据信号,方便识别。同时采集到的数值也需要转化成PLC的PID运算要求的标准数据类型。炉温实际温度的检测是要将温度量转化为PLC可识别的量,所以,将温度变送器输出的值先由16位的整型转化为32位的双整型,再由双整型转化为实型,实型小数点后可有6位,故比较精确。此时得到测得温度值在PLC中计算所对应的数,将该数送入变量寄存器VD296。
4.3 数字滤波程序设计


5 WinCC组态
WinCC的组态在人机界面的制作中是必不可少的过程,只有正确的将各个变量正确的组合到WinCC当中,我们才能正常的监视加热炉的工作状态和实时的对加热炉进行控制。
5.1 变量组态
变量组态是通过PC ACCESS完成的,PC ACCESS是专用于S7-200 PLC的 OPC Server(服务器)软件,它向 OPC客户端提供数据信息,可以与任何标准的OPC Client(客户端)通讯。变量组态完成后,可以用软件自带的OPC客户测试端检测其项目的变量是否通讯及配置是否正确。
变量组态在画面组态前是相当重要的工作,只有通过OPC客户测试端检测通讯正常后,WinCC组态后的变量才能正常和PLC通讯。
OPC的使用步骤:设置通讯访问通道、创建PLC、创建Folder、创建Item、测试通讯质量。当测试通讯质量显示好时,说明了变量组态完成。变量组态如表5.1。

5.2 画面组态
打开 WinCC Explorer 窗口 创建一个 WinCC单用户项目,在变量管理器添加新的驱动程序OPC。在OPC 项目管理器中添加S7-200的系统参数。将所需要的变量全部添加到变量管理器中。然后在WinCC资源管理器中,右击“图形编辑器”,在弹出的菜单中,单击“新建画面”选项,选择新建画面,系统默认画面名为“NewPdl.pdl”(pdl为画面描述文件),双击击“NewPdl.pdl”,进入图形编辑画面。
进入图形编辑界面后,就要进行图形的编辑,首先是利用静态文本显示输出值,这种窗口的数据只能看,不能进行修改,所以只适用于我温度输出值显示。而需要输入数据的就使用输入输出文本。这种文本的数据可以进行实时的修改,并把修改的变量值传送PLC,例如温度设定值,PID算法的增益,积分时间,微分时间都需要用这种方式。然后再建立曲线图,曲线图主要用来进行设定值与显示值的对比。整个画面组态完成后的图如图5.2.1所示。

5.3 变量连接
S7-200与WinCC的通讯是PPI协议,PPI协议是西门子S7-200系列PLC常用通信协议,但WinCC中没有集成该协议,即WinCC不能直接监控S7-200系列PLC组成的控制系统。S7-200 OPC Server是西门子公司推出的专为解决上位机监控S7-200系列PLC控制系统的接口软件。因此,WinCC可以通过该软件与S7-200系列PLC很方便的建立通信。
在WinCC变量管理器中添加一个新的驱动程序,新的驱动程序选择OPC.CHN,在OPC GROUP中新建一个连接,打开属性,选择 OPC Group Setting,OPC服务器名称为OPCServer.MicroComputing。然后在新添加的连接中新建变量,变量的Item Name与S7-200系列PLC中用于监控的变量名对应。变量连接的基本步骤如下:
1)用STEP7 MICROWIN完成S7-200的工程建立和编程,其中必须为OPC准备好符号表。注意符号表名称以及表中变量名都禁用中文,这是OPC的要求。
2)安装PC ACCESS,然后导入前面建立的S7-200符号表,同时定义PC access到S7-200的通讯。这在PG/PC INTERFACE中完成。具体通过PPI,或MPI,或PROFIBUS,或以太,或MODEM均可以,根据所用硬件定。
3)进入WinCC,添加OPC驱动,定义OPC的属性时点击浏览。浏览路径是LOCAL/SIMATIC S7-200 OPC SERVER,由此按提示将导入到PC ACCESS中的变量添加到WinCC。
4)进入WinCC完成其他组态,即可引用S7-200中的变量。
变量连接后,运行WinCC,相应的变量的值就会在WinCC上很好的显示出来,显示结果如图5.3.1.

6 程序调试
7 PID参数的整定
准确地选择PID调节器的结构和它的参数,能使系统在受到扰动后仍保持稳定,并将静态误差和动态误差保持在最小值。在整定调节器的参数之前,应首先确定调节器的结构,对于具有平衡性质的控制对象或生产过程应选择有积分环节的调节器;对于纯滞后性质的控制对象,在调节器中往往应加入微分环节。调节器参数的选择,必须考虑到具体的工程的工艺控制要求,并结合实验、经验和凑试等方法进行整定。
7.1 整定方法
控制器参数的整定,就是按照已定的控制方案,求取使控制质量最好的控制器参数值。具体来说,就是确定最合适的控制器比例度P、积分时间TI,和微分时间TD。控制器参数整定的方法很多,主要有两大类,一类是理论计算的方法,另一类是工程整定法。
工程整定法主要包括:
1)稳定边界法(临界比例度法)
稳定边界法属于闭环整定方法,根据纯比例控制系统临界振荡试验所得数据(临界比例度Pm和振荡周期Tm),按经验公式求出调节器的整定参数。
2)衰减曲线法
衰减曲线法也属于闭环整定方法,但不需要寻找等幅振荡状态,只需寻找最佳衰减振荡状态即可。
3)响应曲线法
响应曲线法属于开环整定方法。以被控对象控制通道的阶跃响应为依据,通过经验公式求取调节器的最佳参数整定值。
4)经验法
经验法是凭经验凑试。 其关键是“看曲线,调参数”。在闭环的控制系统中,凭经验先将控制器参数放在一个数值上,通过改变给定值施加干扰,在记录仪上观察过渡过程曲线,根据P、 TI 、 TD对过渡过程的影响为指导,对比例度P 、积分时间TI和微分时间TD逐个整定,直到获得满意的曲线为止。
我在这次参数整定过程中采用的是临界比例度法,利用该方法进行 PID控制器参数的整定步骤如下:
(1)首先预选择一个足够短的采样周期让系统工作;
(2)仅加入比例控制环节,直到系统对输入的阶跃响应出现临界振荡,记下这时的比例放大系数和临界振荡周期;
(3)在一定的控制度下通过公式计算得到PID控制器的参数。
最主要还是靠经验及工艺的熟悉,参考测量值跟踪与设定值曲线,从而调整P\I\D的大小。
7.2 整定结果及分析
当加热炉刚启动加热时,由于测到的炉温为常温,sp-pv=△U为正值且较大,△U为PID调节器的输入,此时PID调节器中P起主要作用,使PLC为最大电压给加热炉加热。当加热炉温度达到30℃以上时,sp-pv=△U为负值,经PID调节,使PLC输出电压减小,加热炉温度降低。当温度正好达到30℃时,△U为零PID不调节,此时PLC输出的电压正好平衡加热炉消耗的热量,系统达到动态平衡。系统平衡后的界面如图7.2.1所示。























暂无评论内容